- agercomsrl@gmail.com
- +39 3407171377
| Dati di base | |
|---|---|
| Quantità minima: 1 | Confezione qta: 1 |
| Peso | 2.11 KG |
| Destinazione d'uso | Agricoltura |
| Brand | Ama |

KIT GUARNIZIONI A RICAMBIO 0AS8540GC
| Caratteristiche prodotto | |
|---|---|
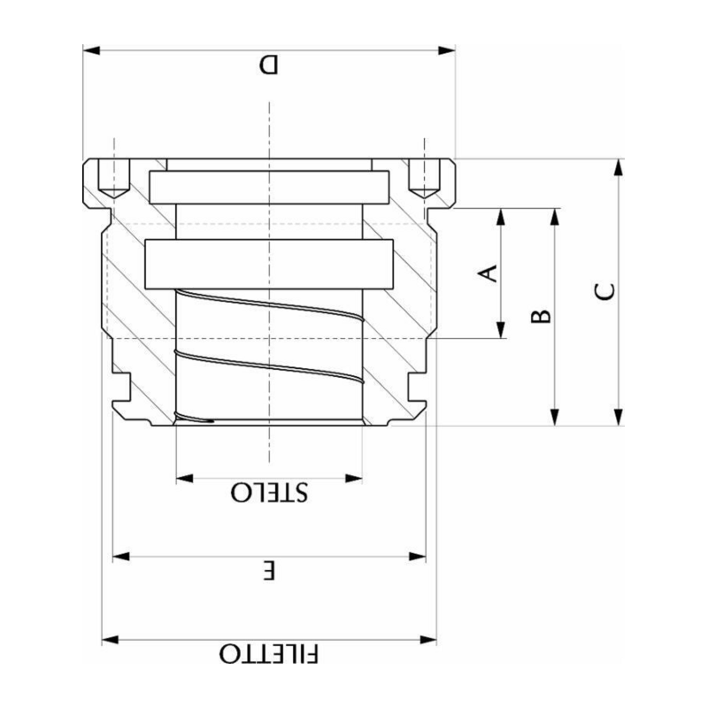
| Alesaggio | 85 mm |
| Diametro stelo | 40 mm |
| Tipo filetto | Metrico |
| Quota e | 85.5 mm |
| Quota d | 100 mm |
| Quota c | 60 mm |
| Quota b | 50 mm |
| Quota a | 30 mm |
| Passo | 2 |
| Filettatura maschio | M90 |
| Destinazione d'uso - Testate di guida | Agricoltura |
|---|---|
| Brand - Testate di guida | Ama |
| Alesaggio - Testate di guida | 85 mm |
| Diametro stelo - Testate di guida | 40 mm |
| Tipo filetto - Testate di guida | Metrico |
| Filettatura maschio - Testate di guida | M90 |
| Passo - Testate di guida | 2 |
| Quota a - Testate di guida | 30 mm |
| Quota b - Testate di guida | 50 mm |
| Quota c - Testate di guida | 60 mm |
| Quota d - Testate di guida | 100 mm |
| Quota e - Testate di guida | 85.5 mm |
La merce viene solitamente spedita entro pochi giorni (salvo disponibilità dei prodotti) dopo il ricevimento del pagamento e inviata tramite corriere espresso con controllo e consegna con firma.
L’ordine si intende comunque regolarmente evaso se la merce viene spedita entro 30 giorni dalla data dell’ordine stesso, in caso contrario AgerCom S.R.L. contatterà il consumatore per stabilire un termine più ampio. Il consumatore non è tenuto all’accettazione di tale termine. L’impossibilità di evadere l’ordine entro 30 giorni costituisce giustificata causa di recesso.
Consigliamo di raggruppare gli articoli in un unico ordine: non possiamo infatti unificare due ordini distinti eseguiti separatamente, e ad ognuno di esso. Le scatole hanno dimensioni ragionevoli e gli articoli sono ben protetti. In caso di particolari temporaneamente mancanti verrà contattato il committente per accordi sulla spedizione.
Preghiamo vivamente di controllare che i dati di recapito immessi al momento della registrazione siano completi ed esatti, con particolare attenzione al c.a.p. ed al numero civico. E' altresì indispensabile che nei giorni successivi al nostro avviso di "consegna in corso" tramite posta elettronica, presso l'indirizzo di recapito indicato sia presente qualcuno per il ritiro della merce. Qualora la merce non possa essere consegnata per errori nell'indicazione dell'indirizzo di recapito o assenza del destinatario, saremo costretti a far rientrare la merce al nostro magazzino, addebitando il costo di spedizione (il costo varia a seconda della tipologia del prodotto e non supererà mai il prezzo di € 150,00) per recupero delle spese di apertura pratica di giacenza e reso del materiale che sono dovuti al corriere. L'eventuale differenza a credito sarà rimborsata. L'ordine dovrà eventualmente essere fatto una seconda volta.
NB: errori nell'indicazione dell'indirizzo e-mail che impediscano la comunicazione potranno dar luogo allo stesso tipo di problemi. Vi preghiamo pertanto la massima precisione nella compilazione dei dati del vostro account.
L'eventuale fattura viene emessa e recapitata con le modalità di legge in vigore dal 01/01/2019 (fattura "elettronica") solo dietro immediata e specifica richiesta dell'acquirente, il quale dovrà confermare con apposita mail a agercomsrl@gmail.com: ragione sociale ovvero intestazione, indirizzo completo, codice fiscale e n. partita IVA (se diversa dal codice fiscale), e codice SDI o indirizzo e-mail PEC. Nel caso in cui il codice fiscale o il n. partita IVA o il codice SDI o l'indirizzo PEC risultino errati o inesistenti o erroneamente attribuiti non sarà possibile procedere all'emissione. La fattura deve essere richiesta al più tardi entro cinque giorni dalla nostra conferma di avvenuta spedizione della merce, e sempre contestualmente all'ordine negli ultimi cinque giorni del mese. Per ragioni amministrative non è possibile dare seguito a richieste tardive.
Nel caso di esercizio del diritto di recesso (o ripensamento) le spese di spedizione per la restituzione della merce sono a carico del committente stesso che restituisce la merce.
Il diritto di recesso è da effettuarsi entro e non oltre un termine di 14 giorni lavorativi dalla ricezione dei prodotti ordinati.